双极化合路器
MOC036WZT3A-D
MOC036WZT3A-D
双极化合路器用于实现微波信号的加入/分支功能。该组合路器的基本原理是波导定向耦合器。合路器通常配有一个支架,用于与天线和ODU直接连接。微波耦合器向外界呈现为具有一个公共端口和四个分支端口.的五端口装置。
电气性能
电气性能
频率范围GHz(频段G) | 5.925~7.125HGz(6G) |
V&H插入损耗,最大dB | 3.8 |
短路隔离度(交叉极化),最小,dB | 40 |
匹配隔离度(交叉极化)最小,dB | 45 |
匹配隔离(同极化),最小,dB | 25 |
回波损耗,最小,dB | 17.7 |
互调 | -112dBm@2×32dBm |
机械性能
机械性能
密闭性能 | 水密 |
工作压力 Kpa | 50 |
工作温度,℃ | -45~+60 |
存储温度,℃ | -55~+70 |
净重(Kg) | 8±1Kg |
毛重(Kg) | 10±1Kg |
外包装尺寸(长×宽×高)mm | 480×410×260 |
体积m³ | 0.05 |
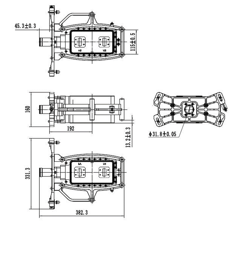
外形尺寸
外形尺寸
